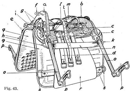
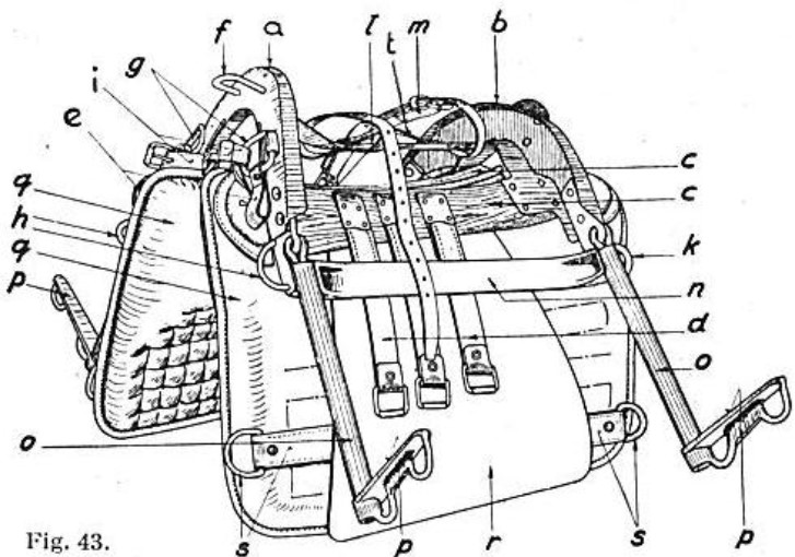
Hilfsbastsattel

Der Hilfsbastsattel ist der kürzeste der Bastsättel. Er wurde entwickelt um auf dem leeren Handpferd (das Rechte ohne Reiter) Munition zu laden. Aus ihm wurde der 71er weiter entwickelt.

Der Hilfsbastsattel besteht aus;

Dem vorderen Sattelbogen (a) mit dem Kummetriemenbügel (f)
2 Zügelringen (g) für die Zügel
An diesen Ringen sind befestigt:
2 Schnallenstücke (i) für die Aufsatzzügel
2 Lederschlaufen (e) für die Anstösse
2 x 2 Packkrampen (h)+ (k) zum Befestigen der Lasten
Dem hintern Sattelbogen (b)
1 obere Verbindungsschiene (l) mit
1 Lederriemchen (m) zum Aufbinden der Tragarme
4 umlegbaren tragarmen (o) mit je
1 Tragfläche (p), welche sich 2 Packkrampen zum Befestigen
der Lasten befinden
2 Sattelstegen (c) mit 3 Gurtringstücken (d)
1 obere Verbindungsschiene (l) mit 1 Lederschlaufe (t)
Den beiden Sattelkissen (q) mit je 1 Schutzlader (r);
Am unteren Teil desselben ist je vorne und hinten 1 Ringstück (s) Zur Aufname der Rückhaltriemen angebracht.

Beim Basten wird durch den in die Ringstücke (s) die Verbindungsriemen eingeschnallten und macht die Verbindung Sattel und Brustblatt, hinten bildet der Rückhaltriemen 1.3 m die Verbindung zwischen Hintergeschirr und Bastsattel.

Das Anpassen des Hilfsbastsattels

Da der Hilfsbastsattel ein Kissensattel ist und sich seine weiche Polsterung jeder Form der Sattellage ohne weiteres anschmiegt, ist besonderes Verpassen nicht notwendig. (der Sattel passt ober nicht es können keine Anpassungen vorgenommen werden) er ist der kürzeste der Bastsättel

Startseite